Деталь:
Гайка накидная ГОСТ 22-877-75
Гайка накидная для соединения трубопроводов по наружному конусу ГОСТ 13957-74
Гайка шестигранная ГОСТ 5915-70
Гайка шестигранная низкая ГОСТ 5916-70
Гайка шестереная ГОСТ 5927-70
Гайка-барашек ГОСТ 3032-76
Винт установочный с шлицем и коническим концом ГОСТ 1476-84
Винт установочный с шлицем и плоским концом ГОСТ 1477-84
Винт установочный с шестигранной головкой и цилиндрическим концом ГОСТ 1481-84
Винт с полукруглой головкой ГОСТ 17473-80
Винт с потайной головкой ГОСТ 17475-80
Винт с цилиндрической головкой ГОСТ 1491-80
Болт
Болт с потайной головкой и квадратным подголовником ГОСТ 7786-72
Болт с шестигранной головкой 2 ГОСТ 7798-70
Болт с шестигранной головкой ГОСТ 7798-70
Выключатель ГОСТ 7397-76
Вентиль запорный муфтовый из ковкого чугуна ГОСТ 18161-72
Заклепка с полукруглой головкой ГОСТ 10299-80
Звено (приводной роликовой цепи) ГОСТ 13568-75
Задвижка фланцевая чугунная ГОСТ 8437-75
Ремень приводной клиновой нормального сечения ГОСТ 1284.1-80
Редуктор нормализованный ГОСТ 16162-85
Редуктор цилиндрический одноступенчатый ГОСТ 20768-75
Редуктор цилиндрический двухступенчатый ГОСТ 20758-75
Картон асбестовый ГОСТ 2850-80
Канат стальной одинарной свивки ГОСТ 3062-80
Канат стальной двойной свивки ГОСТ 2688-80
Лампа ГОСТ 2839-79
Лампа ГОСТ 6825-74
Кран пробковый проходной ГОСТ 19193-73
Кольцо (из войлока) ГОСТ 6308-71
Кольцо резиновое уплотнительное круглого сечения ГОСТ 18829-73
Кольцо пружинное плоское внутреннее эксцентричное ГОСТ 13943-68
Кольцо пружинное упорное плоское наружное концентрическое ГОСТ 13940-86
Кольцо пружинное упорное плоское эксцентричное ГОСТ 13942-86
Компрессор унифицированный ТУ22.5749-84
Контргайка ГОСТ 8961-75
Контргайка ГОСТ 8968-75
Коуш стальной для стальных канатов ГОСТ 2224-72
Лента конвеерная резинотканная ГОСТ 20-85
Лента поливинилхлоридная электроизоляционная ГОСТ 16214-76
Набивка сальниковая ГОСТ 5152-84
Манометр ГОСТ 2405-80
Манжета резиновая армированная для валов ГОСТ 8752-79
Маслораспылитель ГОСТ 25531-82
Масленка. I исполнение ГОСТ 19853-74
Масленка. II исполнение ГОСТ 19853-74
Насос шестеренный гидравлический систем ГОСТ 8753-80
Проволока стальная низкоуглеродистая ГОСТ 3282-74
Провод ГОСТ 6323-79
Прокладка ГОСТ 22-877-75
Проходник ввертной ГОСТ 13969-74
Ниппель ГОСТ 13956-74
Ниппель ГОСТ 8967-75
Оправа защитная для технических стеклянных термометров ГОСТ 25-1281-87
Пневмоклапан обратный ГОСТ 21324-83
Пневмоцилиндр ГОСТ 15608-81
Подшипник роликовый радиальный сферческий ГОСТ 5721-75
Подшипник шариковый радиальный однорядный ГОСТ 7242-81
Подшипник шариковый радиальный однорядный ГОСТ 8338-75
Подшипник шариковый радиальный сферический двухрядный ГОСТ 5720-75
Ось ГОСТ 9650-80
Муфта прямая короткая ГОСТ 8954-75
Мертель ГОСТ 6137-80
Стартер ГОСТ 8799-75
Угольник. Исполнение I ГОСТ 8946-75
Тройник. Соединительная часть из ковкого чугуна ГОСТ 8948-75
Указатель циферблатный ГОСТ 9483-81
Фильтр щелевой ГОСТ 21329-75
Фильтр-влагоотделитель воздушный ГОСТ 17437-81
Хомут ГОСТ 24139-80
Хомут для крепления трубопроводов ГОСТ 24137-80
Термометр стеклянный технический ГОСТ 2823-73
Электронагреватель трубчатый ГОСТ 13268-83
Двигатель трехфазный асинхронный короткозамкнутый ГОСТ 19523-81
Цепь приводная роликовая и втулочная ГОСТ 13568-75
Цепь тяговая пластинчатая ГОСТ 588-81
Шарик ГОСТ 3722-81
Шайба ГОСТ 11371-78
Шайба ГОСТ 4860.2-83
Шайба косая ГОСТ 10906-78
Шайба пружинная ГОСТ 6402-70
Шайба стопорная с лапкой уменьшенная ГОСТ 13463-77
Шайба увеличенная ГОСТ 6958-78
Шайба. Сальник для электрических кабелей ГОСТ 4860.1-83
Шайба. Сальник для электрических кабелей и проводов ГОСТ 4860.2-83
Шайба. Сальник для электрической цепи ГОСТ 4860.6-76
Шплинт ГОСТ 397-79
Шпилька с ввинчиваемым концом ГОСТ 22034-76
Шпонка призматическая, исполнение 2 ГОСТ 23360-78
Шнур асбестовый ГОСТ 1779-83
Штифт конический ГОСТ 3129-70
Штифт цилиндричечский ГОСТ 3128-70
Штуцер ГОСТ 22-882-75
Варианты
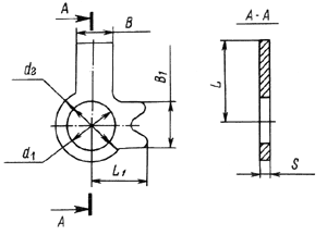
Размер, мм:
d
1
d
2
L
L
1
B
B
1
10.04.019
10
14
18
13
8
10
16.04.019
16
22
26
18
12
13
© 2003-2010 КредСнаб
г.Новосибирск, ул.Толмачевская 43/4
(383) 30-31-908, 30-31-703, 30-31-367
kredsnab@mail.ru